TIÊU CHUẨN QUỐC GIA TCVN 10173-1:2025 (ISO 8611-1:2021) VỀ PALÉT DÙNG ĐỂ NÂNG CHUYỂN, XẾP DỠ HÀNG – PALÉT PHẲNG – PHẦN 1: PHƯƠNG PHÁP THỬ
TIÊU CHUẨN QUỐC GIA
TCVN 10173-1:2025
ISO 8611-1:2021
PALÉT DÙNG ĐỂ NÂNG CHUYỂN, XẾP DỠ HÀNG – PALÉT PHẲNG – PHẦN 1: PHƯƠNG PHÁP THỬ
Pallets for materials handling – Flat pallets – Part 1: Test methods
Lời nói đầu
TCVN 10173-1:2025 thay thế TCVN 10173-1:2013 (ISO 8611-1:2011).
TCVN 10173-1:2025 hoàn toàn tương đương với ISO 8611-1:2021.
TCVN 10173-1:2025 do Ban kỹ thuật tiêu chuẩn quốc gia TCVN/TC 51 Palét dùng để vận chuyển hàng hóa, vật liệu bằng phương pháp tải đơn vị biên soạn, Viện Tiêu chuẩn Chất lượng Việt Nam đề nghị, Ủy ban Tiêu chuẩn Đo lường Chất lượng Quốc gia thẩm định, Bộ Khoa học và Công nghệ công bố.
Bộ TCVN 10173 (ISO 8611), Palét dùng để nâng chuyển, xếp dỡ hàng – Palét phẳng bao gồm các phần sau:
– TCVN 10173-1:2025 (ISO 8611-1:2021), Phần 1: Phương pháp thử;
– TCVN 10173-2:2025 (ISO 8611-2:2021), Phần 2: Yêu cầu đặc tính và lựa chọn các thử nghiệm;
– TCVN 10173-3:2013 (ISO 8611-3:2011), Phần 3: Tải trọng làm việc lớn nhất.
Lời giới thiệu
Lực mà các palét chịu được trong quá trình sử dụng thay đổi một cách đáng kể. Quy trình thử được mô tả trong tiêu chuẩn này mô phỏng gần đúng việc sử dụng palét. Các phép thử này giúp cho người thiết kế palét thiết lập được sự cân bằng ban đầu có thể chấp nhận được giữa chi phí và đặc tính của một thiết kế palét. Dự kiến rằng tất cả các kết quả thử được thực hiện khi sử dụng quy trình này được khẳng định và kiểm tra xác nhận bằng các thử nghiệm tại hiện trường trước khí công bố đặc tính hoặc khả năng thương mại của một thiết kế palét mới.
Tải trọng danh nghĩa được xác định theo quy trình thử này không biểu thị tải trọng mang và không kiểm tra xác nhận được bằng các thử nghiệm tại hiện trường. Tải trọng danh nghĩa là một mức tải trọng mang nhỏ nhất được sử dụng để xác định tải trọng làm việc lớn nhất theo các quy trình trong TCVN 10173-3 (ISO 8611-3). Tải trọng làm việc lớn nhất có thể được kiểm tra xác nhận đối với một tải trọng mang quy định và sử dụng dự định bằng các thử nghiệm tại hiện trường. Điều đó có nghĩa là việc công bố tải trọng làm việc lớn nhất bao gồm mô tả tải trọng mang và các chế độ sử dụng dự định của palét.
Điều cốt yếu là phải lưu ý khi so sánh các kết quả thử với kinh nghiệm theo thời gian trong quá trình sử dụng các thiết kế palét hiện có. Mong đợi của người sử dụng về đặc tính của palét có thể thay đổi. Một số yêu cầu các mức đặc tính lớn hơn và một số chấp nhận các mức đặc tính thấp hơn. Người sử dụng đang chấp nhận các mức rủi ro khác nhau khi sử dụng palét. Vì các mong muốn về đặc tính thay đổi của người sử dụng palét cho nên các kết quả thử thường không thể phản ánh sự hiểu biết của người sử dụng về đặc tính của palét trong sử dụng.
Tải trọng danh nghĩa có thể không phản ánh sự hiểu biết của người sử dụng về đặc tính của palét vì tải trọng danh nghĩa không biểu thị tải trọng mang. Điều đó có nghĩa là các tải trọng làm việc lớn nhất được sử dụng để so sánh với đặc tính theo thời gian của các thiết kế palét hiện có.
Liên quan đến việc sử dụng bộ tiêu chuẩn này:
– TCVN 10173-1 (ISO 8611-1) mô tả các phương pháp thử;
– TCVN 10173-2 (ISO 8611-2) mô tả các yêu cầu đặc tính và sự lựa chọn các thử nghiệm;
– TCVN 10173-3 (ISO 8611-3) mô tả các phép thử để xác định các tải trọng làm việc lớn nhất cho các tải trọng mang đã cho.
TCVN 10173-1 (ISO 8611-1) và TCVN 10173-2 (ISO 8611-2) được yêu cầu để xác định tải trọng danh nghĩa. Tải trọng danh nghĩa là giá trị tải trọng an toàn thấp nhất cho các điều kiện đỡ quy định, không phụ thuộc vào loại tải trọng (ngoại trừ các tải trọng tập trung).
TCVN 10173-1 (ISO 8611-1), TCVN 10173-2 (ISO 8611-2) và TCVN 10173-3 (ISO 8611-3) được yêu cầu để xác định tải trọng làm việc lớn nhất cho các tải trọng mang đã cho.
Tải trọng danh nghĩa cho sử dụng được thiết lập bằng việc lựa chọn các phép thử trong tiêu chuẩn này và yêu cầu đặc tính được thiết lập từ các tiêu chí trong TCVN 10173-2 (ISO 8611-2).
Có ba kiểu sau dự định sử dụng với các điều kiện đỡ quy định được xác định:
– nâng chuyển, xếp dỡ các palét đã chất tải được xếp trên giá và xếp chồng;
– nâng chuyển, xếp dỡ các palét đã chất tải không được xếp trên giá;
– nâng chuyển, xếp dỡ các palét đã chất tải không được xếp trên giá hoặc xếp chồng.
Để xác định tải trọng làm việc lớn nhất thông qua thử nghiệm trong TCVN 10173-3 (ISO 8611-3), chuyển vị dưới tác dụng của tải trọng mang đã biết không thể vượt quá chuyển vị giới hạn [xem 4.2, 4.3 và 4.4 của TCVN 10173-3:2013 (ISO 8611-3:2011)] được thiết lập trong TCVN 10173-1 (ISO 8611-1) và TCVN 10173-2 (ISO 8611-2). Tải trọng làm việc lớn nhất là tải trọng mang lớn nhất mà một palét có thể được phép chuyên chở trong điều kiện chất tải và đỡ cụ thể.
Phụ lục A của TCVN 10173-3 (ISO 8611-3) đưa ra hướng dẫn về ảnh hưởng chung của các loại tải trọng và phương pháp ổn định hóa khác nhau đến đặc tính của palét. Các loại tải trọng và phương pháp ổn định hóa này chỉ có thể đưa ra hướng dẫn về kết quả có thể đạt được từ các phép thử với tải trọng mang đã biết.
Các phép thử khác về đánh giá độ bền lâu được quy định trong tiêu chuẩn này.
PALÉT DÙNG ĐỂ NÂNG CHUYỂN, XẾP DỠ HÀNG – PALÉT PHẲNG – PHẦN 1: PHƯƠNG PHÁP THỬ
Pallets for materials handling – Flat pallets – Part 1: Test methods
1 Phạm vi áp dụng
Tiêu chuẩn này quy định các phương pháp thử có thể sử dụng để đánh giá palét phẳng mới dùng để nâng chuyển, xếp dỡ hàng.
Các phương pháp thử này được phân ra thành các nhóm:
– thử tải trọng danh nghĩa;
– thử tải trọng làm việc lớn nhất;
– thử so sánh độ bền lâu.
Tiêu chuẩn này không áp dụng cho các palét có kết cấu phần trên cố định hoặc có thùng chứa tự đỡ, cứng vững có thể được kẹp chặt cơ khi với palét và góp phần làm tăng độ bền của palét.
CHÚ THÍCH: Các phép thử cụ thể để xác định khả năng tải không thay thế được giá trị của việc thực hiện các phép thử hiện trường đối với các thiết kế palét cụ thể.
2 Tài liệu viện dẫn
Các tài liệu viện dẫn sau rất cần thiết cho việc áp dụng tiêu chuẩn này. Đối với các tài liệu viện dẫn có ghi năm công bố thì áp dụng phiên bản được nêu. Đối với các tài liệu viện dẫn không ghi năm công bố thì áp dụng phiên bản mới nhất, bao gồm cả các sửa đổi (nếu có).
TCVN 9025-1 (ISO 12777-1), Phương pháp thử mối nối của palét – Phần 1: Xác định khả năng chịu uốn của đinh, các chi tiết kẹp chặt kiểu chốt khác và móc kẹp
TCVN 10173-2:2025 (ISO 8611-2:2021), Palét dùng để nâng chuyển, xếp dỡ hàng – Palét phẳng – Phần 2: Yêu cầu đặc tính và lựa chọn các thử nghiệm
TCVN 12329 (ISO 2244), Bao bì – Bao bì và đơn vị tải vận chuyển đã điền đầy, hoàn chỉnh – Phép thử va đập theo phương ngang
TCVN 12803 (ISO 445), Palét dùng để nâng chuyển, xếp dỡ hàng – Từ vựng
EN 13183-2, Moisture content of a piece of sawn timber – Part 2: Estimation by electrical resistance method (Độ ẩm của chi tiết gỗ xẻ tự nhiên – Phần 2: Ước lượng bằng phương pháp điện trở)
3 Thuật ngữ và định nghĩa
Tiêu chuẩn này áp dụng các thuật ngữ và định nghĩa trong TCVN 12803 (ISO 445) và các thuật ngữ, định nghĩa sau:
3.1
Sự đứt gãy của một bộ phận (breaking of one component)
Sự gãy hỏng của một phần tử kết cấu có ảnh hưởng đáng kể đến độ bền, độ cứng vững (3.9) hoặc chức năng làm việc của palét.
3.2
Tải trọng tập trung (concentrated load)
Tải trọng được tập trung trên một diện tích nhỏ hơn 50 % diện tích mặt sàn trên của palét.
3.3
Tải trọng làm việc lớn nhất (maximum working load)
Tải trọng mang (3.5) lớn nhất mà một palét được phép mang trong điều kiện chất tải và đỡ cụ thể.
Chú thích 1: Tải trọng này thay đổi theo kiểu, sự phân bố, sắp xếp và biện pháp ổn định hóa tải trọng và hệ thống đỡ, và có thể thấp hơn hoặc cao hơn tải trọng danh nghĩa (3.4) [xem TCVN 10173-2 (ISO 8611-2) và TCVN 10173-3 (ISO 8611-3)].
3.4
Tải trọng danh nghĩa (nominal load)
R
Giá trị tải trọng thử (3.10) thấp nhất đối với các điều kiện đỡ quy định, không phụ thuộc vào loại tải trọng (ngoại trừ các tải trọng tập trung (3.2)).
Chú thích 1: “Các điều kiện đỡ quy định” là dải các điều kiện sử dụng trong 7.1 của TCVN 10173-2:2025 (ISO 8611-2:2021).
Chú thích 2: Tải trọng danh nghĩa không biểu thị tải trọng mang (3.5) thực trên một palét đang sử dụng. Tải trọng danh nghĩa được dùng để so sánh đặc tính của các palét khác nhau.
3.5
Tải trọng mang (payload)
Q
Tải trọng do palét mang trong sử dụng.
Chú thích 1: Tải trọng mang này có thể lớn hơn, bằng hoặc nhỏ hơn tải trọng danh nghĩa (3.4).
3.6
Tấm ép (platen)
Bề mặt đặc chắc, cứng trên máy thử dùng để đặt tải trọng để thử palét mẫu.
3.7
Xếp trên giá (racking)
Xếp các đơn vị tải trong các giá có dẫn động hoặc dầm có các khẩu độ (nhịp) tự do, không được đỡ.
3.8
Xếp chồng (stacking)
Đặt các palét chứa các đơn vị tải chồng lên nhau mà không cần đến các kệ trung gian hoặc xếp trên giá (3.7).
3.9
Độ cứng vững (stiffness)
Biến dạng của palét hoặc bộ phận của nó dưới tác dụng của tải trọng.
Chú thích 1: Độ cứng vững cao có nghĩa là độ dịch chuyển, chuyển vị hoặc độ biến dạng là nhỏ đối với tải trọng đã cho.
3.10
Tải trọng thử (test load)
P
Tải trọng gồm các bộ phận đặt tải, tấm đỡ tải trọng hoặc hộp tải trọng và bản thân tải trọng đặt vào bao gồm cả tải trọng chuẩn [1,5 % ± 0,5 % giá trị tải trọng giới hạn (3.11)].
3.11
Tải trọng giới hạn (ultimate load)
U
Tải trọng tại đó độ nén, độ dịch chuyển hoặc chuyển vị không duy trì được nữa dẫn đến sự phá hủy của mẫu thử hoặc sự đứt gãy của một bộ phận (3.1), hoặc khi độ dịch chuyển, biến dạng hoặc chuyển vị trở nên quá mức.
Chú thích 1: Xem Bảng 1 của TCVN 10173-2:2025 (ISO 8611-2:2021).
4 Các phép đo
Các palét được lựa chọn cho thử nghiệm phải được đo để bảo đảm rằng vật liệu, kết cấu và kích thước phù hợp với tài liệu về đặc tính kỹ thuật của chúng.
Khối lượng và vật liệu của từng palét phải được xác định và ghi lại tại thời điểm thử.
Độ ẩm của các palét gỗ phải được đo và ghi lại phù hợp với EN 13183-2 tại thời điểm thử.
Chuyển vị được ghi lại tại mỗi vị trí trong phép thử là chuyển vị tại thời điểm kết thúc của giai đoạn đầy tải (hoặc giai đoạn hồi phục) trừ đi chuyển vị sau khi định vị tải trọng chuẩn. Giá trị trung bình của các chuyển vị lớn nhất được ghi cho mỗi lần lặp lại phải được báo cáo và được sử dụng cho các phân tích khác.
Các nội dung chi tiết hơn cần được ghi lại trong quá trình thử và trong văn bản báo cáo được cho trong Điều 9.
5 Độ chụm và độ chính xác của các phép thử và thiết bị
Thiết bị thử phải thỏa mãn các yêu cầu sau:
a) Trong thiết kế thiết bị thử, dung sai của tất cả các kích thước phải là ± 2 %.
b) Độ chính xác của thiết bị đo cho các phép thử phải là ± 0,5 mm.
c) Độ chính xác của việc định vị mỗi bộ phận, chi tiết, trừ tải trọng thử, phải là ± 2 mm; các dưỡng đo phải được định vị tới độ chính xác ± 4 mm.
d) Độ chính xác của việc định vị tâm đặt tải trọng thử (khi được sử dụng) phải là ± 10 mm.
e) Tổng khối lượng của tải trọng thử được đặt phải ở trong phạm vi ± 3 % giá trị quy định.
Không được có bất cứ bộ phận của giá thử nào biến dạng một lượng lớn hơn ± 3 mm khi chịu tác dụng của tải trọng thử lớn nhất. Phải tính đến biến dạng của giá thử trong các phép đo chuyển vị của palét.
CHÚ THÍCH 1: Khi sử dụng chế độ thử nặng, các tiết diện của hộp thép trong kết cấu của các đồ gá trong các phép thử 1 và 6 (xem Bảng 1) thường gây ra các biến dạng ở tâm gần đạt tới giới hạn đã cho 3 mm.
Mặt phẳng nghiêng của thiết bị phải có kết cấu như quy định trong TCVN 12329 (ISO 2244) và phải cho phép có khoảng di chuyển nghiêng để thay đối với lượng tăng thêm 250 mm từ 250 mm đến 1250 mm, mỗi lượng tăng có sai lệch trong khoảng ± 5 mm.
CHÚ THÍCH 2: Kinh nghiệm cho thấy rằng độ chụm thử nghiệm liên phòng để tiến hành các phép thử 1a và 7a là 16,7 %: và 19,8 % khi tiến hành các phép thử 1b và 7b.
6 Tải trọng thử
Không cố định một giá trị chung đối với tải trọng thử. Tải trọng thử đối với mỗi phép thử phải được xác định phù hợp với TCVN 10173-2 (ISO 8611-2).
Tải trọng thử phải được tạo ra bởi máy thử kiểu thủy lực hoặc khí nén, hoặc thông qua khối tải trọng cố định và phải tăng lên liên tục hoặc từng bước tới khi phá hủy (để xác định tải trọng giới hạn) hoặc tới giá trị đã được cố định trước (đối với các phép thử đánh giá).
7 Danh mục các phép thử
Bảng 1 cung cấp danh mục các phép thử (trong tiêu chuẩn này) phải được thực hiện đối với các palét phẳng. Các phép thử được đánh số 1, 2, 3, 4, 5, 6 và 7 phải được thực hiện đối với các palét mới. Các phép thử 1, 2, 4, 5, 6 và 7 có thể được thực hiện trên một mẫu thử (trước tiên là độ cứng vững, sau đó là độ bền, khi có một tải trọng danh nghĩa được công bố) hoặc trên hai mẫu thử riêng biệt.
CHÚ THÍCH: Các phép thử được phân thành ba nhóm như trong Bảng 1. Việc lựa chọn các phép thử và đánh giá đặc tính của palét được thiết lập trong TCVN 10173-2 (ISO 8611-2) và TCVN 10173-3 (ISO 8611-3).
8 Các phép thử
8.1 Phép thử 1 – Thử uốn
8.1.1 Mục đích
Mục đích của các phép thử này là xác định độ bền uốn (phép thử 1a) và độ cứng vững uốn (phép thử 1b) của palét trong trạng thái xếp trên giá.
Bảng 1 – Danh mục các phép thử
|
Phép thử số |
Phép thử |
Đặc tính |
Hoạt động nâng chuyển, xếp dỡ hoặc mục đích của phép thử |
Điều tham chiếu |
| Các phép thử tải trọng danh nghĩa | 8 | |||
| 1 | Các phép thử uốn | Chiều dài, chiều rộng palét | Xếp trên giá | 8.1 |
| 1a | Độ bền uốn | 8.1.3.1 | ||
| 1b | Độ cứng vững uốn | 8.1.3.2 | ||
| 2 | Các phép thử nâng xếp | Mặt sàn trên | Nâng bằng xe nâng hàng và xe nâng palét | 8.2 |
| 2a | Độ bền uốn | 8.2.3.1 | ||
| 2b | Độ cứng vững uốn | 8.2.3.2 | ||
| 3 | Các phép thử nén các khối đỡ hoặc thanh đỡ | Chiều cao của các khối đỡ, các thanh đỡ | Bất cứ hoạt động nào để nén các khối đỡ hoặc thanh đỡ, bao gồm cả xếp chồng | 8.3 |
| 3a | Độ bền của khối đỡ hoặc thanh đỡ | 8.3.3.1 | ||
| 3b | Độ cứng vững của khối đỡ hoặc thanh đỡ | 8.3.3.2 | ||
| 4 | Các phép thử xếp chồng | Mặt sàn trên và dưới | Xếp chồng | 8.4 |
| 4a | Thử độ bền mặt sàn | 8.4.3.1 | ||
| 4b | Thử độ cứng vững mặt sàn | 8.4.3.2 | ||
| 5 | Các phép thử uốn mặt sàn dưới | Mặt sàn dưới | Băng tải có rãnh kép và xếp trên giá có các dầm với khẩu độ hẹp | 8.5 |
| 5a | Độ bền uốn | 8.5.3.1 | ||
| 5b | Độ cứng vững uốn | 8.5.3.2 | ||
| 6 | Các phép thử uốn palét có cánh | Chiều dài, chiều rộng palét | Nâng bằng bộ dây nâng | 8.6 |
| 6a | Độ bền uốn | 8.6.3.1 | ||
| 6b | Độ cứng vững uốn | 8.6.3.2 | ||
| Các phép thử tải trọng làm việc lớn nhất – Với tải trọng mang hoặc túi khí | ||||
| 1 | Thử uốn | Chiều dài, chiều rộng palét | Xếp trên giá | 8.1 |
| 1b | Độ cứng vững uốn | 8.1.3.2 | ||
| 7 | Các phép thử uốn với túi khí | Chiều dài, chiều rộng palét | Xếp trên giá | 8.7 |
| 7a | Độ bền uốn | 8.7.3.1 | ||
| 7b | Độ cứng vững uốn | 8.7.3.2 | ||
| 2 | Các phép thử nâng xếp | Mặt sàn trên | Nâng bằng xe nâng hàng và xe nâng palét | 8 2 |
| 2b | Độ cứng vững uốn | 8.2.3.2 | ||
| 4 | Các phép thử xếp chồng | Mặt sàn trên và mặt sàn dưới | Xếp chồng | 8.4 |
| 4b | Thử độ cứng vững của sàn | 8.4.3.2 | ||
| 5 | Các phép thử uốn mặt sàn dưới | Mặt sàn dưới | Băng tải có rãnh kép và xếp trên giá có các dầm với khẩu độ hẹp | 8.5 |
| 5b | Độ cứng vững uốn | 8.5.3.2 | ||
| 6 | Các phép thử uốn palét có cánh | Chiều dài, chiều rộng palét | Nâng bằng bộ dây nâng | 8.6 |
| 6b | Độ cứng vững uốn | 8.6.3.2 | ||
| Các phép thử độ bền lâu | ||||
| 8 | Thử cắt tĩnh | Các mặt sàn, khối đỡ, thanh đỡ | Khả năng chịu biến dạng | 8.8 |
| 9 | Thử rơi góc | Độ cứng vững theo đường chéo | Khả năng chịu va đập | 8.9 |
| 10 | Thử va đập cắt | Các mặt sàn, khối đỡ, thanh đỡ | Khả năng chịu biến dạng | 8.10 |
| 11 | Thử va đập cạnh mặt sàn trên | Tấm dẫn hướng mặt sàn trên | Khả năng chịu tác động các cần nâng | 8.11 |
| 12 | Thử va đập của khối đỡ | Khối đỡ góc, thanh đỡ | Khả năng chịu tác động đầu cần nâng | 8.12 |
| 13 | Thử hệ số ma sát tĩnh | Mặt sàn dưới/các cần nâng | Khả năng chống trượt trên các cần nâng | 8.13 |
| 14 | Thử góc trượt | Mặt sàn trên/tải trọng mang | Khả năng chống trượt của các tải | 8.14 |
8.1.2 Quy trình
8.1.2.1 Để thiết lập kích thước gối đỡ yếu nhất của palét, tiến hành thử một palét ngang qua chiều dài của nó và sau đó thử một palét thứ hai ngang qua chiều rộng. Không yêu cầu phải có thêm các phép thử cho các kích thước vững chắc hơn trừ khi kết quả ở trong phạm vi 15 % của palét yếu hơn.
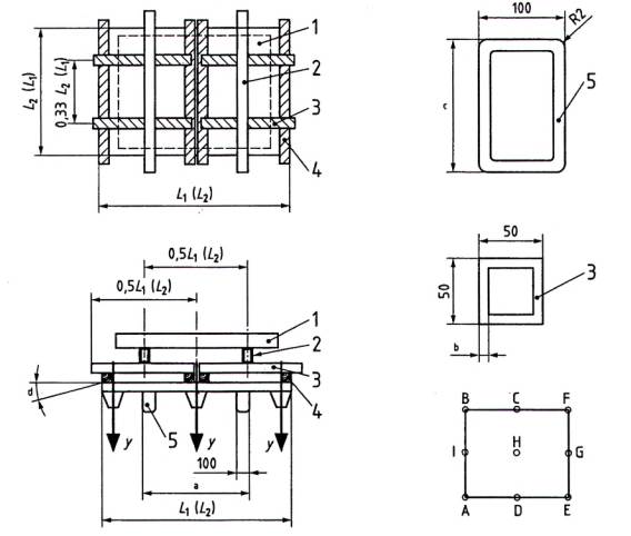
8.1.2.2 Khi điều này đã được thiết lập, đặt một palét mới ngang qua các gối đỡ theo phía yếu nhất của nó, với mặt sàn trên ở phía trên, các gối đỡ palét được định vị sao cho các mép phía trong của chúng cách các mép phía ngoài của palét 75 mm. Các bộ phận đặt tải phải được đặt tại khoảng cách 0,18 L1 hoặc 0,18 L2, khi được đo như trên hình vẽ, trong đó L1 hoặc L2 là khoảng cách giữa các gối đỡ palét (xem Hình 1).
Kích thước tính bằng milimét

CHÚ DẪN:
| 1 | tải trọng thử | 5 | gối đỡ |
| 2 | tấm đỡ tải trọng | 6 | cánh |
| 3 | cữ chặn an toàn | y | chuyển vị |
| 4 | bộ phận đặt tải |
Hình 1 – Thử uốn
8.1.2.3 Các bộ phận đặt tải và các gối đỡ phải được đặt ngang bằng hoặc cách xa các mép của palét. Các mép phải được làm tròn với bán kính (2 ± 1) mm. Khi các bộ phận đặt tải trùng với các khe hở giữa các tấm mặt sàn, phải sử dụng các chi tiết có chiều dày bằng nhau lấp vào các mặt sàn có khe hở toàn bộ 3 mm đến 6 mm. Đặt các bộ phận đặt tải và tấm đỡ tải trọng lên mặt sàn palét, sau đó đặt phần còn lại của tải trọng thử lên.
8.1.3 Đo
8.1.3.1 Phép thử 1a – Xác định độ bền uốn
Đặt một tải trọng lên trên tấm đỡ tải trọng tới khi một trong các bộ phận của palét bị đứt gãy hoặc tới khi đạt tới chuyển vị hoặc biến dạng quá mức. Ghi lại tải trọng giới hạn này và chọn giá trị tải trọng nhỏ nhất trong số 3 lần lặp.
8.1.3.2 Phép thử 1b – Xác định độ cứng vững uốn
Đặt một tải trọng chuẩn bằng (1,5 ± 0,5) % tải trọng giới hạn được xác định trong phép thử 1 a. Tùy theo vị trí của gối đỡ, phải đo chuyển vị y tại các điểm A [trị số lớn nhất của y tại A1 (B1), A2 (B2), A3 (B3)]:
a) sau khi định vị tải trọng chuẩn;
b) ngay sau khi đặt toàn bộ tải trọng thử;
c) lúc kết thúc thời gian đặt toàn bộ tải trọng thử;
d) sau thời gian hồi phục.
8.2 Phép thử 2 – Các phép thử nâng xếp
8.2.1 Mục đích
Điều kiện giới hạn của sử dụng các palét sàn đơn hoặc sàn kép không xếp trên giá và không xếp chồng được là uốn palét trên các cần nâng đỡ bên dưới mặt sàn trên của palét.
8.2.2 Quy trình
Sơ đồ của phép thử nâng xếp được cho trên Hình 2. Phương pháp thử cho phép mô phỏng điều kiện nâng xếp trong sử dụng theo mỗi chiều của chiều dài và chiều rộng palét. Các gối đỡ phải phù hợp với Hình 2. Các khoảng cách gối đỡ có thể là 570 mm hoặc 690 mm (xem Hình 2, chú dẫn a). Khoảng cách ngắn hơn trong hai khoảng cách xuất hiện trong quá trình sử dụng palet phải được sử dụng trong phép thử này. Đối với các palét có chiều dài hoặc chiều rộng lớn hơn 1219 mm, chú thích a của Hình 2 có thể được điều chỉnh theo các kích thước của palét.
Thực hiện phép thử theo cả hai chiều.
Kích thước tính bằng milimét

CHÚ DẪN:
| 1 | tải trọng thử | y | chuyển vị |
| 2 | bộ phận đặt tải | a | Khoảng cách giữa các gối đỡ 570 mm hoặc 690 mm |
| 3 | thanh tải trọng thép, 50 mm × 50 mm × L [W L1/2] | b | Thanh tải trọng thép có chiều dày 2 mm |
| 4 | thanh tải trọng thép, 50 mm × 50 mm × L [W L1] | c | Chiều dài gối đỡ 200 mm |
| 5 | gối đỡ | d | Góc uốn của mặt sàn palét trong khi thử |
| A đến I | các điểm đo chuyển vị |
Hình 2 – Thử nâng xếp
8.2.3 Đo
8.2.3.1 Phép thử 2a – Xác định độ bền uốn
Đặt tải trọng thử tới khi xuất hiện một trong các bộ phận của palét bị đứt gãy hoặc tới khi đạt được chuyển vị hoặc biến dạng vượt quá mức. Ghi lại tải trọng giới hạn này và chọn giá trị tải trọng nhỏ nhất trong số 3 lần lặp.
8.2.3.2 Phép thử 2b – Xác định độ cứng vững uốn
Đặt một tải trọng chuẩn bằng (1,5 ± 0,5) % tải trọng giới hạn được xác định ở phép thử 2a. Tùy theo vị trí của gối đỡ, phải đo chuyển vị y cùng một lúc ở vị trí giữa hai đầu mút hoặc hai cạnh bên và tại các góc (giá trị lớn nhất của y tại các điểm A, B, C, D, E, F, G, H, I, phụ thuộc vào chiều của các gối đỡ):
a) sau khi định vị tải trọng chuẩn;
b) ngay sau khi đặt toàn bộ tải trọng thử;
c) lúc kết thúc thời gian đặt toàn bộ tải trọng thử;
d) sau thời gian hồi phục.
8.3 Phép thử 3 – Thử nén các khối đỡ hoặc thanh đỡ
8.3.1 Mục đích
Mục đích của phép thử này là xác định độ bền nén (phép thử 3a) và độ cứng vững (phép thử 3b) của các khối đỡ, thanh đỡ hoặc các cột của palét. Các khối đỡ hoặc thanh đỡ đỡ các kết cấu phần trên hoặc các tải cứng, nặng phải được thử.
8.3.2 Quy trình
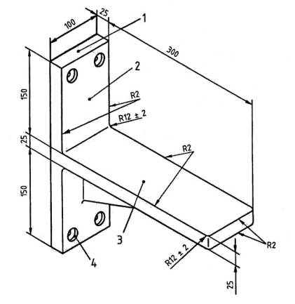
Đặt palét ở vị trí thông thường trên một bề mặt bằng phẳng, nằm ngang, cứng và vững chắc. Đặt một bộ phận đặt tải cứng vững có các kích thước (300 ± 5) mm × (300 ± 5) mm × (25 ± 5) mm trên một khối đỡ hoặc một phần của thanh đỡ (như thể hiện trên Hình 3).
Đặt tải trọng thử vào trung tâm trên tấm đỡ tải trọng như thể hiện bằng mũi tên trên các Hình 3 a), b) và c). Khi các khối đỡ hoặc thanh đỡ có thiết kế khác nhau thì phải thử nghiệm cho từng thiết kế.
Cách khác, phép thử có thể được thực hiện trên nhiều góc, nhiều khối đỡ hoặc nhiều thanh đỡ giống nhau.
Kích thước tính bằng milimét

CHÚ DẪN:
1 bộ phận đặt tải
y chuyển vị
a tải trọng thử
Hình 3 – Thử nén góc
8.3.3 Đo
8.3.3.1 Phép thử 3a – Xác định độ bền của các khối đỡ hoặc thanh đỡ
Đặt tải trọng tới khi một trong các khối đỡ hoặc thanh đỡ của palét xuất hiện đứt gãy hoặc tới khi đạt được chuyển vị hoặc biến dạng vượt quá mức. Ghi lại tải trọng giới hạn này và chọn giá trị tải trọng nhỏ nhất trong số 3 lần lặp.
8.3.3.2 Phép thử 3b – Xác định độ cứng vững của các khối đỡ hoặc thanh đỡ
Đặt một tải trọng chuẩn bằng (1,5 ± 0,5) % tải trọng giới hạn được xác định trong phép thử 3a.
Phải đo chuyển vị, y:
a) sau khi định vị tải trọng chuẩn;
b) ngay sau khi đặt toàn bộ tải trọng thử;
c) lúc kết thúc thời gian đặt toàn bộ tải trọng thử;
d) sau thời gian hồi phục.
8.4 Phép thử 4 – Thử xếp chồng
8.4.1 Mục đích
Mục đích của phép thử này là xác định khả năng của tấm mặt sàn trên và mặt sàn dưới của palét chịu được các ảnh hưởng cục bộ của các tải trọng mang thay đổi lớn trên các cổng phụ của các tấm sàn giữa các khối đỡ hoặc thanh đỡ trong tình trạng xếp chồng của các khối đỡ. Đối với các palét có nhiều hơn hai cổng, các bộ phận đặt tải phải được đặt vào hai cổng của nhịp lớn nhất như thể hiện trên Hình 4. Khi chỉ có một nhịp là lớn nhất thì không áp dụng phép thử này.


CHÚ DẪN:
1 tải trọng thử
2 tấm đỡ tải trọng
3 cữ chặn an toàn
4 bệ đỡ cứng chắc
5 bộ phận đặt tải
y chuyển vị
Hình 4 – Thử độ bền và độ cứng vững của mặt sàn
8.4.2 Quy trình
Thử cả hai mặt sàn trên và dưới:
Đặt palét, như thể hiện trên Hình 4, trên bề mặt nằm ngang bằng phẳng, cứng chắc và đặt bốn bộ phận đặt tải như mô tả trong 8.1.2 và Hình 1, ngang qua các tấm trên hoặc dưới sao cho các tâm của các bộ phận đặt tải ở vị trí 0,18 L1 hoặc 0,18 L2. Các bộ phận đặt tải phải nhô ra hoặc ngang bằng với mép của mặt sàn palét và phải được đặt đối xứng với đường tâm của palét.
8.4.3 Đo
8.4.3.1 Phép thử 4a – Thử độ bền của mặt sàn
Đặt thiết bị thử và phần còn lại của tải trọng thử vào. Nếu sử dụng khối tải trọng cố định làm tải trọng thử thì tải trọng này phải được đặt đối xứng trong quá trình chất tải. Nếu palét có các tấm đáy theo cả hai chiều, phép thử này phải được thực hiện theo cả các kích thước chiều dài và chiều rộng.
Đặt một tải trọng trên tấm đỡ tải trọng tới khi xảy ra đứt gãy hoặc tới khi đạt được chuyển vị hoặc biến dạng vượt quá mức. Ghi lại tải trọng giới hạn này và chọn giá trị tải trọng nhỏ nhất trong số 3 lần lặp.
Ghi lại các chuyển vị tại một nửa tải trọng giới hạn.
Tùy theo hướng của các bộ phận đặt tải, phải đo chuyển vị y tại các điểm A (trị số lớn nhất của y tại A1, A2, A3, A4) hoặc B (trị số lớn nhất của y tại B1, B2, B3, B4)
8.4.3.2 Phép thử 4b – Thử độ cứng vững của mặt sàn
Đỡ mặt palét dưới trên một bề mặt cứng chắc. Đặt một tải trọng chuẩn bằng (1,5 ± 0,5) % tải trọng giới hạn được xác định trong phép thử 4a. Phải đo chuyển vị y tại các điểm A (trị số lớn nhất của y tại A1, A2, A3, A4) hoặc B (trị số lớn nhất của y tại B1, B2, B3, B4) tùy thuộc vào kết cấu palet và hướng của các bộ phận đặt tải.
Đo chuyển vị cục bộ lớn nhất, y:
a) sau khi định vị tải trọng chuẩn;
b) ngay sau khi đặt toàn bộ tải trọng thử;
c) lúc kết thúc thời gian đặt toàn bộ tải trọng;
d) sau thời gian hồi phục.
8.5 Phép thử 5 – Thử uốn mặt sàn dưới
8.5.1 Mục đích
Mục đích của các phép thử này là xác định độ bền và độ cứng vững của mặt sàn dưới giữa các khối đỡ hoặc các thanh đỡ khi nâng chuyển xếp dỡ trên các băng tải có rãnh kép hoặc các giá đỡ có các dầm với khẩu độ hẹp.
8.5.2 Quy trình
Đặt mặt sàn trên xuống phía dưới, như thể hiện trên Hình 5, trên một bề mặt nằm ngang, bằng phẳng, cứng chắc và đặt vào hai bộ phận đặt tải đảo chiều, như mô tả trong 8.1.2 và Hình 1, ngang qua các tấm dưới sao cho các tâm của các bộ phận đặt tải cách cạnh trong của các khối đỡ hoặc thanh đỡ phía ngoài một khoảng 0,25 L1 hoặc 0,25 L2. Các bộ phận đặt tải phải nhô ra hoặc ngang bằng với mép của đế palét và phải được đặt đối xứng với đường tâm của palét.
Đặt thiết bị thử và phần còn lại của tải trọng thử vào. Nếu sử dụng khối tải trọng cố định làm tải trọng thử thì tải trọng này phải được đặt đối xứng trong quá trình chất tải. Nếu palét có các tấm đáy theo cả hai chiều, phép thử này phải được thực hiện theo cả các kích thước chiều dài và chiều rộng.
8.5.3 Đo
8.5.3.1 Phép thử 5a – Xác định độ bền uốn
Đặt một tải trọng trên tấm đỡ tải trọng tới khi một trong các tấm sàn dưới xuất hiện đứt gãy hoặc tới khi đạt được chuyển vị hoặc biến dạng vượt quá mức. Ghi lại tải trọng giới hạn này và chọn giá trị tải trọng nhỏ nhất trong số 3 lần lặp.
8.5.3.2 Phép thử 5b – Xác định độ cứng vững uốn
Đặt một tải trọng chuẩn bằng (1,5 ± 0,5) % tải trọng giới hạn được xác định trong phép thử 5a. Tùy theo hướng của các bộ phận đặt tải, phải đo chuyển vị y tại các điểm A (trị số lớn nhất của y tại A1, A2, A3, A4) hoặc B (trị số lớn nhất của y tại B1, B2, B3, B4):
a) sau khi định vị tải trọng chuẩn;
b) ngay sau khi đặt toàn bộ tải trọng thử;
c) lúc kết thúc thời gian đặt toàn bộ tải trọng thử;
d) sau thời gian hồi phục.


CHÚ DẪN:
1 tải trọng thử
2 tấm đỡ tải trọng
3 cữ chặn an toàn
4 bệ đỡ cứng vững
5 bộ phận đặt tải
y chuyển vị
Hình 5 – Thử độ bền và độ cứng vững mặt sàn dưới
8.6 Phép thử 6 – Thử uốn palét có cánh
8.6.1 Mục đích
Mục đích của các phép thử này là xác định độ bền uốn (phép thử 6a) và độ cứng vững uốn (phép thử 6b) của palét có cánh trong quá trình nâng với bộ dây nâng.
8.6.2 Quy trình
Đặt palét có cánh với mặt sàn trên ở phía trên cùng, trên bốn trụ đỡ 50 mm × 50 mm được bố trí bên dưới các cánh của mặt sàn trên ngang bằng với các đầu mút của palét. Các trụ đỡ phải được cố định ở chiều cao sao cho có không gian tối thiểu là 50 mm giữa mặt dưới của mặt sàn dưới và mặt nền hoặc khung thử. Mỗi bộ phận đặt tải phải được bố trí sao cho kích thước từ mặt phía trong của trụ đỡ tới đường tâm của các bộ phận đặt tải phải là 0,18 L1 như thể hiện trên Hình 6. Đặt tấm đỡ tải trọng trên các bộ phận đặt tải và sau đó đặt phần còn lại của tải trọng thử.

CHÚ DẪN:
1 tải trọng thử
2 tấm đỡ tải trọng
3 cữ chặn an toàn
4 bộ phận đặt tải
5 trụ đỡ
y chuyển vị
Hình 6 – Thử uốn palét có cánh
8.6.3 Đo
8.6.3.1 Phép thử 6a – Xác định độ bền uốn
Đặt một tải trọng trên tấm đỡ tải trọng tới khi một trong các bộ phận của palét xuất hiện đứt gãy hoặc tới khi đạt được chuyển vị hoặc biến dạng vượt quá mức. Ghi lại tải trọng giới hạn này và chọn giá trị tải trọng nhỏ nhất trong số 3 lần lặp.
8.6.3.2 Phép thử 6b – Xác định độ cứng vững uốn
Đặt một tải trọng chuẩn bằng (1,5 ± 0,5) % tải trọng giới hạn được xác định trong phép thử 6a. Tùy theo vị trí của trụ đỡ, phải đo chuyển vị y tại các điểm A (trị số lớn nhất của y tại A1(B1), A2 (B2):
a) sau khi định vị tải trọng chuẩn;
b) ngay sau khi đặt toàn bộ tải trọng thử;
c) lúc kết thúc thời gian đặt toàn bộ tải trọng thử;
d) sau thời gian hồi phục.
8.7 Phép thử 7 – Thử uốn với túi khí
8.7.1 Mục đích
Mục đích của dạng thử uốn này là để mô phỏng gần với thực tế tới mức có thể việc thực hiện được một số tác dụng của tải trọng thường gặp trên hiện trường. Bộ phận đặt tải được sử dụng cho thử uốn này là loại tương tự như các tải trọng dễ uốn, đồng nhất thông dụng thường được đỡ bởi các palét, như các hàng được đóng bao hoặc túi.
Bộ phận tác dụng tải tương tự dễ uốn, đồng nhất này được sử dụng khi, trong một số trường hợp không thể sử dụng được các bộ phận đặt tải cơ bản như mô tả trong 8.1.2, hoặc khi tác dụng của các tải trọng đồng nhất được mô phỏng có thể hỗ trợ cho người thiết kế palét lựa chọn palét thích hợp nhất cho mục đích sử dụng đã định.
8.7.2 Quy trình
8.7.2.1 Để xác định phương đỡ yếu nhất của palét, tiến hành thử một palét ngang qua chiều dài của palét và sau đó thử palét thứ hai ngang qua chiều rộng. Không yêu cầu phải tiến hành thêm các phép thử cho kích thước vững chắc hơn trừ khi kết quả ở trong phạm vi 15 % của kích thước yếu hơn.
8.7.2.2 Bộ phận đặt tải phải là một túi khí được bọc kín có áp suất trung bình hoặc áp suất thấp, thường được gọi là túi “nâng” hoặc túi “đệm lót”, như thể hiện trên các Hình 7 và Hình 8. Các túi khí kiểu này được quy định bởi kích cỡ (chiều dài và chiều rộng), khả năng chứa, giữ (áp suất làm việc lớn nhất) và hành trình (độ giãn không bị hạn chế lớn nhất của chiều cao túi).
Kích thước tính bằng milimét

CHÚ DẪN:
1 khối tải trọng cố định
2 tấm đỡ tải trọng
3 túi khí
4 dầm đỡ túi khí
5 gối đỡ
y chuyển vị
Hình 7 – Thử uốn với túi khí sử dụng khối tải trọng cố định

CHÚ DẪN:
1 khung giá thử
2 tấm đỡ tải trọng
3 túi khí
4 gối đỡ
5 bộ phận đặt tải
6 ống bơm không khí
y chuyển vị
Hình 8 – Thử uốn với túi khí sử dụng giá thử
8.7.2.3 Kích thước của túi khí phải bảo đảm sao cho khi được bơm, túi tiếp xúc với toàn bộ mặt sàn của palét. Yêu cầu này thường có thể đạt được với các túi khí dài hơn và rộng hơn mặt sàn trên của palét được thử khoảng 150 mm.
8.7.2.4 Khi các cạnh của túi khí nhô ra khỏi các cạnh hoặc đầu mút của palét lớn hơn 75 mm cần phải có dầm đỡ túi khí để duy trì phần nhô ra của túi ở cùng một mức như mặt sàn trên của palét trong quá trình thử.
Khi đo tải trọng tác dụng vào palét ở trên palét trong quá trình thử, không được sử dụng các gối đỡ như thể hiện trên Hình 8 và nên đặt túi khí với palét như mô tả trong 8.7.2.3.
8.7.2.5 Khả năng chứa, giữ hoặc áp suất làm việc trong túi khí phải đủ để làm hư hỏng kết cấu của tất cả các palét được thử. Kinh nghiệm chỉ ra rằng áp suất làm việc tối thiểu phải bằng 0,07 MPa đến 0,08 MPa.
8.7.2.6 Hành trình hoặc mức giãn ra của chiều cao túi khí phụ thuộc vào kết cấu của thiết bị thử. Khi độ giãn thay đổi dọc theo tâm hoặc các mép của túi khí, vùng có độ giãn nhỏ nhất phải điều chỉnh sự lựa chọn túi khí. Để tránh ảnh hưởng của độ cứng vững của túi khí đối với các dữ liệu thử nghiệm, độ giãn của túi khí ít nhất phải bằng hai lần độ giãn cần thiết để gây ra hư hỏng cho palét. Các gối đỡ palét phải được định vị như mô tả trên Hình 1 và phải được định vị với các đường tâm của chúng cách cạnh ngoài của palét 75 mm.
8.7.2.7 Các tốc độ chất tải hoặc thử nghiệm phải được kiểm soát bằng sự bơm hơi thích hợp túi khí được bơm căng lại hoặc bằng cách nén túi khí đã được bơm hơi trên mặt sàn trên của palét.
8.7.3 Đo
8.7.3.1 Phép thử 7a – Xác định độ bền uốn
Tăng tải trọng tới khi một trong các bộ phận của palét xuất hiện đứt gãy hoặc tới khi đạt được chuyển vị hoặc biến dạng vượt quá mức. Ghi lại tải trọng giới hạn này và chọn giá trị tải trọng nhỏ nhất trong số 3 lần lặp.
8.7.3.2 Phép thử 7b – Xác định độ cứng vững uốn
Đặt một tải trọng chuẩn bằng (1,5 ± 0,5) % tải trọng giới hạn được xác định trong phép thử 7a. Tùy theo vị trí của gối đỡ, phải đo chuyển vị y tại các điểm A (trị số lớn nhất của y tại A1, A2, A3) hoặc B (trị số lớn nhất của y tại B1, B2, B3):
a) sau khi định vị tải trọng chuẩn;
b) ngay sau khi đặt toàn bộ tải trọng thử;
c) lúc kết thúc thời gian đặt toàn bộ tải trọng thử;
d) sau thời gian hồi phục.
8.8 Phép thử 8 – Thử cắt tĩnh
8.8.1 Mục đích
Mục đích của phép thử này là mô phỏng các lực gần đúng được tạo ra do sự cắt ngang mặt sàn.
8.8.2 Quy trình
Đặt palét theo phương thẳng đứng, mặt sàn trên ở phía khung thử, trên một tấm được đặt thẳng đứng có cùng một chiều dày như các tấm mặt sàn. Chiều dài của tấm này tối thiểu phải bằng chiều dài hoặc chiều rộng của palét được thử (xem Hình 9). Bộ phận đặt tải tại C tiếp xúc hoàn toàn với chiều dài (hoặc chiều rộng) của palét dọc theo mặt sàn dưới. Một phương pháp thử thay thế khác là tác dụng tải trọng theo đường tương tự bằng máy thử nén tại điểm C; tuy nhiên khi sử dụng phương pháp này thì tấm ép chất tải tại điểm C phải được hạn chế dịch chuyển trong bất cứ mặt phẳng nào khác với mặt phẳng đứng với L2 > 150 mm.

CHÚ DẪN:
1 gối đỡ
2 bộ phận đặt tải
3 tải trọng W
y’ chuyển vị
A đến C các điểm đo biến dạng
Hình 9 – Thử cắt tĩnh
8.8.3 Đo
Tải trọng thử, F, tác dụng tại điểm C, do tác dụng của tải trọng W, làm cho biến dạng phương thẳng đứng tăng lên phải được đo tại A hoặc B, tùy thuộc vào palét có tấm đáy liên tục hay không liên tục. Phải đo biến dạng (thay đổi của y‘) sau khi dỡ tải và sau khoảng thời gian hồi phục.

8.9 Phép thử 9 – Thử rơi góc
8.9.1 Mục đích
Mục đích của phép thử này là xác định độ cứng vững theo đường chéo của mặt sàn trên của palét và khả năng chịu va đập của mặt sàn này.
8.9.2 Quy trình
Đánh dấu 2 điểm đo A và B, như thể hiện trên Hình 10 cách các góc của palét khoảng 50 mm.
Trong khi treo palét như thể hiện trên Hình 10, cho palét rơi tự do trên cạnh góc mặt sàn trên của nó từ độ cao, h, xuống một bề mặt va đập cứng, nằm ngang. Nếu có thể thực hiện được, tiến hành rơi ba lần trên cùng một góc và cùng một độ cao.
CHÚ THÍCH: Đối với các palét không đối xứng, người thử nghiệm cần chỉnh hướng cho palét trước khi rơi.

CHÚ DẪN:
1 góc palét
2 điểm đo
h chiều cao rơi
l chiều dài đường chéo
Hình 10 – Thử rơi góc
8.9.3 Đo
Chiều dài đường chéo, l, phải được đo trước lần rơi thứ nhất và sau lần rơi thứ ba. Bất cứ sự hư hỏng nào phải được ghi lại.
8.10 Phép thử 10 – Thử va đập cắt
8.10.1 Quy định chung
Tải trọng thử gồm có khối tải trọng cố định, một tấm phân bố tải trọng và một hộp tải trọng có kích thước trên hình chiếu bằng (600 ± 50) mm × (800 ± 50) mm. Đặt tải trọng trong hộp: vị trí của hộp phải được xác định phụ thuộc vào các yêu cầu thử riêng được mô tả trong 8.10.3 và 8.10.4. Các cạnh đỡ tháo được phải dài ít nhất là bằng sàn palét được thử. Tải trọng thử không được bao gồm khối lượng của xe đẩy.
Đối với từng phép thử trong các phép thử theo mặt phẳng nghiêng, trước khi thả, xe đẩy được đẩy lên theo mặt phẳng nghiêng tới khoảng cách L so với điểm va đập.
Các phép thử theo mặt phẳng nghiêng có tiềm năng gây ra nguy hiểm trong việc di chuyển các khối lượng lớn ở các tốc độ cao. Việc thiết kế các giá thử này phải tính đến các đặc điểm an toàn riêng để giảm rủi ro cho cả người vận hành và người quan sát.
8.10.2 Mục đích
Mục đích của phép thử này là xác định khả năng chịu va đập cạnh theo phương nằm ngang của cụm lắp giáp giữa sàn trên, các khối đỡ, các thanh đỡ, các tấm thanh đỡ và mặt sàn dưới.
8.10.3 Quy trình
Kẹp chặt một dầm (xà) bằng thép hoặc gỗ cứng có khối lượng riêng lớn, có kích thước mặt cắt ngang danh nghĩa (90 ± 10) mm × (90 ± 10) mm và chiều dài ít nhất là bằng kích thước dài nhất của palét vào mặt đầu của giá chặn. Cạnh trên cùng của cữ chặn phải cao hơn mặt đáy của palét (bề mặt trên cùng của xe đẩy) 15 mm khi xe đẩy ở vị trí thấp nhất (xem Hình 11).
Đặt palét trên xe đẩy của thiết bị thử trên mặt phẳng nghiêng sao cho khi cạnh phía trước của palét tựa vào cữ chặn, khe hở giữa xe đẩy và giá chặn là 25 mm ± 5 mm.
Tải trọng thử được phân bố trên bề mặt sàn palét trừ phần đầu 100 mm (được để lộ ra) bằng một tấm phân bố tải trọng. Tấm phân bố tải trọng này gồm có một tấm gỗ ván ép bền chắc dày 18 mm đến 25 mm, được cắt để che phủ lên toàn bộ palét nhưng trừ dải được để lộ ra, như thể hiện trên Hình 11.
CHÚ THÍCH: Tấm phân bố tải trọng thường là một tấm gỗ ván ép, để phân bố tải trọng sao cho các hư hỏng xảy ra tại vị trí va chạm. Tấm phân bố tải trọng này thường cần thiết cho thử nghiệm các palét giấy.
Gắn hộp tải trọng ở vị trí trung tâm trên palét với phần còn lại của tải trọng thử sao cho việc chất tải ở trung tâm trục di chuyển xuống đường ray, nhưng có khuynh hướng hướng về phía đầu mút cao hơn của palét.
Đẩy xe đẩy và palét đã được chất tải lên vị trí đã xác định trước trên mặt phẳng nghiêng ở khoảng cách L so với điểm va đập và thả cho xe đẩy chạy xuống. Lặp lại thao tác này nếu cần.
Thực hiện trình tự va đập tương tự dọc theo đường trục nằm ngang thứ hai của palét.
8.10.4 Đo
Phải ghi lại độ biến dạng (x’ và y’) trong các mặt phẳng X và Y và bất cứ hư hỏng nào. Các thay đổi phải được ghi lại tại một số vị trí dọc theo bề mặt va đập.
Kích thước tính bằng milimét


CHÚ DẪN:
| 1 | hộp tải trọng | 7 | xe đẩy |
| 2 | tải trọng thử | 8 | hình chiếu từ trên xuống |
| 3 | giá chặn | 9 | cữ chặn |
| 4 | đường va đập phủ chờm 15 mm | x’ | biến dạng trong mặt phẳng X |
| 5 | giá đỡ tháo được đối với hộp tải trọng | y’ | biến dạng trong mặt phẳng Y |
| 6 | tấm phân bố tải trọng |
Hình 11 – Thử va đập cắt
8.11 Phép thử 11 – Thử va đập cạnh mặt sàn trên
8.11.1 Mục đích
Mục đích của phép thử này là xác định khả năng chịu va đập ngang theo mặt bên của cạnh mặt sàn trên với các cần của xe nâng xếp.
8.11.2 Quy trình
Sử dụng thiết bị thử mặt phẳng nghiêng được mô tả trong 8.10.3 có các cữ chặn va đập được thể hiện trên các Hình 12 và Hình 13.
Đặt palét, hộp tải trọng và tấm phân bố tải trọng cùng với tải trọng thử trên xe đẩy của thiết bị thử mặt phẳng nghiêng sao cho khi cạnh phía trước của palét tựa vào các cữ chặn va đập thì khe hở giữa xe đẩy và cạnh phía trước của palét là (25 ± 5) mm. Tải trọng phải ở trung tâm của đường trục di chuyển.
Chỉnh thẳng các cữ chặn va đập với các cổng nâng của palét ở một độ cao cho phép cạnh (mép) dẫn đầu tiếp xúc với bề mặt cạnh cữ chặn tại một điểm cách mặt thẳng đứng của các cữ chặn va đập 200 mm ± 25 mm (xem Hình 12). Các điểm tiếp xúc với bề mặt của cữ va đập phải ở trong khu vực này đối với mỗi lần va đập. Các cữ chặn va đập phải được bố trí tại các trung điểm giữa các khối đỡ hoặc thanh đỡ.
Đẩy xe đẩy cùng với palét đi lên theo mặt phẳng nghiêng tới khi palét cách mặt thẳng đứng của cữ chặn va đập một khoảng L (xem Hình 12) và thả ra. Lặp lại thao tác này nếu cần.
Thực hiện trình tự va đập tương tự dọc theo đường trục nằm ngang thứ hai của palét.
8.11.3 Đo
Biến dạng (x và y) trong các mặt phẳng X và Y phải được ghi lại. Chiều sâu xuyên qua và hư hỏng thông thường tại các điểm va đập cũng phải được ghi lại.
Kích thước tính bằng milimét


CHÚ DẪN:
| 1 | hộp tải trọng | 7 | giá chặn |
| 2 | tải trọng thử | 8 | xe đẩy |
| 3 | cữ chặn va đập | 9 | hình chiếu từ trên xuống |
| 4 | tấm phân bố tải trọng | L | khoảng cách từ điểm thả xe và điểm va đập |
| 5 | giá đỡ tháo được đối với hộp tải trọng | x | biến dạng trong mặt phẳng X |
| 6 | điểm va đập | y | biến dạng trong mặt phẳng Y |
Hình 12 – Thử va đập cạnh mặt sàn trên
8.12 Phép thử 12 – Thử va đập của khối đỡ
8.12.1 Mục đích
Mục đích của phép thử này là xác định khả năng chịu va đập của các khối đỡ, các thanh đỡ và các chỗ nối với các đầu cần nâng của xe nâng xếp.
8.12.2 Quy trình
Sử dụng thiết bị thử mặt phẳng nghiêng mô tả trong 8.10.3 có cữ chặn va đập như thể hiện trên Hình 13.
Đặt palét và hộp tải trọng cùng với tải trọng thử trên xe đẩy của thiết bị thử mặt phẳng nghiêng sao cho khi cạnh phía trước của palét tựa vào đầu của các cữ chặn va đập thì khe hở giữa xe đẩy và cạnh phía trước của palét là (25 ± 5) mm. Tải trọng phải ở trung tâm so với các mặt bên hoặc mặt đầu của palét.
Kích thước tính bằng milimét

CHÚ DẪN:
1 thân cữ chặn va đập
2 mặt thân cữ chặn va đập
3 lưỡi cữ chặn va đập
4 lỗ được hạ bậc
R bán kính vê tròn
Hình 13 – Cữ chặn va đập cho các phép thử va đập cạnh mặt sàn trên và va đập của khối đỡ
Đặt palét sao cho các đường song song với phương di chuyển phải được vẽ từ các cạnh của các cữ chặn va đập qua các điểm trên mặt phẳng trước của các khối đỡ D và E như thể hiện trên Hình 14. Các cữ chặn va đập phải được định vị một cách phù hợp, với mặt trên của các lưỡi cạnh đầu của chúng cao hơn mặt trên của xe đẩy 75 mm và độ xê dịch 30 mm như thể hiện trên Hình 14.
Đẩy xe đẩy và palét đi lên theo mặt phẳng nghiêng để chúng dịch chuyển một khoảng L trước khi va đập và sau đó thả ra. Lặp lại thao tác này nếu có yêu cầu.
Thực hiện trình tự va đập tương tự dọc theo đường trục nằm ngang thứ hai của palét.
8.12.3 Đo
Các độ dịch chuyển phải được ghi lại sau mỗi va đập cùng với chiều sâu xuyên qua. Tất cả các hư hỏng khác cũng phải được ghi lại.
Kích thước tính bằng milimét


CHÚ DẪN:
| 1 | hộp tải trọng | 6 | điểm va đập |
| 2 | tải trọng thử | 7 | giá chặn |
| 3 | cữ chặn va đập | 8 | xe đẩy |
| 4 | tấm phân bố tải trọng | 9 | hình chiếu từ trên xuống |
| 5 | giá đỡ tháo được đối với hộp tải trọng | L | khoảng cách từ điểm thả xe và điểm va đập |
Hình 14 – Thử va đập của khối đỡ trên mặt phẳng nghiêng
8.13 Phép thử 13 – Thử hệ số ma sát tĩnh
8.13.1 Mục đích
Mục đích của phép thử này là xác định hệ số ma sát tĩnh giữa mặt dưới của mặt sàn trên và các cần nâng của xe nâng xếp.
CHÚ THÍCH: Tiến hành phép thử này bằng một palét không chất tải bởi vì có thể dùng kết quả này để dự đoán sự trượt của các khối lượng lớn.
8.13.2 Quy trình
Cân palét không chất tải, sau đó đặt palét ở vị trí nằm ngang; các cần nâng bằng thép, khô, không có dầu mỡ phải ở vị trí nằm ngang và mức bằng phẳng của chúng xấp xỉ 1° như thể hiện trên Hình 15. Chiều rộng của các cần nâng phải là 100 mm.
Phép thử phải được tiến hành ở các cổng song song với chiều dài và song song với chiều rộng của palét không chất tải đó. Nếu lắp các đệm cao su hoặc có ma sát lớn vào mặt dưới của mặt sàn trên thì phải ghi lại liệu các đệm này có khớp trên các cần nâng bằng thép trong quá trình thử nghiệm không.
8.13.3 Đo
Tăng lực dần dần tới khi dịch chuyển bắt đầu và ghi lại giá trị lớn nhất này, Fs.
![]()
trong đó:
μs là hệ số ma sát tĩnh;
Fs là lực yêu cầu để bắt đầu dịch chuyển;
Ws là trọng lượng palét.

Hình 15 – Thử hệ số ma sát tĩnh
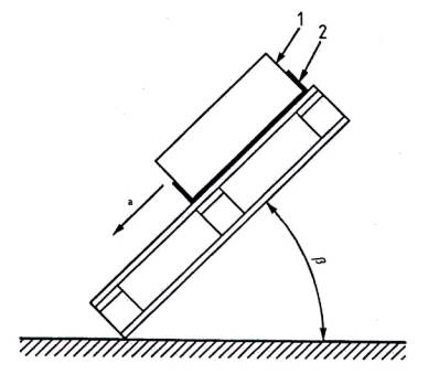
8.14 Phép thử 14 – Thử góc trượt
8.14.1 Mục đích
Mục đích của phép thử này là xác định góc tại đó hộp thử bắt đầu trượt và so sánh các kết quả của mặt phân cách palét/tải trọng cho các palét khác nhau và các vật liệu kết cấu khác nhau.
8.14.2 Quy trình
Chất tải trong một hộp 600 mm × 400 mm, có bề mặt tiếp xúc ở đáy đối diện với một bề mặt bằng thép, khô, không có dầu mỡ, tới 30 kg và nghiêng palét so với phương nằm ngang với tốc độ (45 ° ± 4,5 °)/min như thể hiện trên Hình 16. Lặp lại phép thử đối với chiều dài và chiều rộng của palét.
Các phép thử góc trượt có tiềm năng gây ra nguy hiểm khi các khối lượng di chuyển có tốc độ. Việc thiết kế các giá thử này phải tính đến các đặc điểm an toàn riêng để giảm rủi ro cho cả người vận hành và người quan sát và để đảm bảo tính lặp lại.
8.14.3 Đo
Ghi lại góc β tại đó tải trọng bắt đầu trượt xuống khỏi mặt sàn.
CHÚ THÍCH: Thép được lựa chọn làm bề mặt thử để có tính lặp lại. Cần lưu ý khi dự đoán khả năng chống trượt từ các phép thử này cho các vật liệu bao gói khác. Có thể cần phải thử nghiệm từng vật liệu bao gói thực để khẳng định khả năng chống trượt của nó bằng cách sử dụng vật liệu bao gói làm vật liệu ma sát trong phép thử này.

CHÚ DẪN:
1 hộp 400 mm × 600 mm
2 vật liệu ma sát
β góc tại đó tải trọng bắt đầu trượt xuống khỏi mặt sàn palet
a Chiều rơi xuống
Hình 16 – Thử góc trượt
9 Báo cáo thử
9.1 Thông tin chung – Tất cả các vật liệu
Báo cáo thử cho tất cả các vật liệu ít nhất phải bao gồm các thông tin sau:
a) số hiệu tiêu chuẩn này, TCVN 10173-1:2025 (ISO 8611-1:2021);
b) tất cả các thông tin cần thiết để nhận biết mẫu thử;
c) ngày tháng năm thử;
d) chữ ký của người thử nghiệm;
e) kiểu và các kích thước của palét (chuẩn hoặc mô tả);
f) vật liệu của palét;
g) thiết bị thử được sử dụng;
h) độ chụm/độ chính xác đặt tải được áp dụng khi thích hợp;
i) địa điểm thử;
j) nhiệt độ và độ ẩm phòng thử tại thời điểm thử;
k) số lượng các phép thử lặp lại được thực hiện;
l) khoảng cách va đập (s) (L), tải trọng thử, số lần va đập được thực hiện cho các phép thử 10, 11 và 12;
m) số lượng phép thử và các kết quả thử đối với mỗi phép thử được thực hiện;
n) các kết quả thử, bao gồm các kết quả xác định riêng biệt và giá trị trung bình của chúng;
o) các sai khác so với quy trình quy định;
p) các đặc điểm không bình thường quan sát được trong quá trình thử.
9.2 Thông tin đối với các palét gỗ và vật liệu hỗn hợp trên nền gỗ
Ngoài các thông tin yêu cầu trong 9.1, phải đưa ra các thông tin sau đối với các palét gỗ và vật liệu hỗn hợp trên nền gỗ:
a) loài gỗ, và nếu có thể được, khối lượng riêng của các bộ phận;
b) độ ẩm của các mẫu gỗ lúc lắp ráp bằng cách sử dụng phương pháp điện trở;
c) độ ẩm tại thời điểm thử;
d) cấp và chất lượng của các bộ phận;
e) khoảng thời gian từ khi lắp ráp mẫu đến khi thử, nếu biết;
f) các chi tiết kẹp chặt được sử dụng với các kích thước và prôfin của thân;
g) độ bền uốn của chi tiết kẹp chặt được đo phù hợp với TCVN 9025-1 (ISO 12777-1);
h) bất cứ sự tháo ra nào của các chi tiết kẹp chặt trong quá trình thử.
9.3 Thông tin đối với các palét chất dẻo
Thông tin sau phải được đưa ra đối với các palét chất dẻo:
a) hợp chất, nếu có thể được, để chế tạo palét;
b) số tham chiếu, số seri, mã sản phẩm v.v …
9.4 Thông tin đối với các palét được chế tạo bằng các vật liệu khác
Thông tin sau phải được đưa ra đối với các palét được chế tạo bằng các vật liệu khác với vật liệu được nêu trong 9.2 và 9.3:
a) phương pháp kẹp chặt;
b) đặc tính vật liệu, nếu có thể được, có ảnh hưởng tới đặc tính của palét trong các phép thử.
Thư mục tài liệu tham khảo
[1] TCVN 10173-3:2013 (ISO 8611-3:2011) Palét dùng để nâng chuyển, xếp dỡ hàng – Palét phẳng – Phần 3: Tải trọng làm việc lớn nhất
[2] ISO 3691-5, Industrial trucks – Safety requirements and verification – Part 5: Pedestrian-propelled trucks (Xe nâng công nghiệp – Yêu cầu an toàn và kiểm tra xác nhận – Phần 5: Xe nâng đẩy tay)
[3] TCVN 13707-1 (ISO 13061-1), Tính chất vật lý và cơ học của gỗ – Phương pháp thử dành cho mẫu nhỏ không khuyết tật từ gỗ tự nhiên – Phần 1: Xác định độ ẩm cho các phép thử vật lý và cơ học
MỤC LỤC
Lời nói đầu
Lời giới thiệu
1 Phạm vi áp dụng
2 Tài liệu viện dẫn
3 Thuật ngữ và định nghĩa
4 Các phép đo
5 Độ chụm và độ chính xác của các phép thử và thiết bị
6 Tải trọng thử
7 Danh mục các phép thử
8 Các phép thử
9 Báo cáo thử
Thư mục tài liệu tham khảo
| TIÊU CHUẨN QUỐC GIA TCVN 10173-1:2025 (ISO 8611-1:2021) VỀ PALÉT DÙNG ĐỂ NÂNG CHUYỂN, XẾP DỠ HÀNG – PALÉT PHẲNG – PHẦN 1: PHƯƠNG PHÁP THỬ | |||
| Số, ký hiệu văn bản | TCVN10173-1:2025 | Ngày hiệu lực | |
| Loại văn bản | Tiêu chuẩn Việt Nam | Ngày đăng công báo | |
| Lĩnh vực |
Công nghiệp nặng |
Ngày ban hành | |
| Cơ quan ban hành | Tình trạng | Còn hiệu lực | |
Các văn bản liên kết
| Văn bản được hướng dẫn | Văn bản hướng dẫn | ||
| Văn bản được hợp nhất | Văn bản hợp nhất | ||
| Văn bản bị sửa đổi, bổ sung | Văn bản sửa đổi, bổ sung | ||
| Văn bản bị đính chính | Văn bản đính chính | ||
| Văn bản bị thay thế | Văn bản thay thế | ||
| Văn bản được dẫn chiếu | Văn bản căn cứ |
